183-2652-5999


Cloud Zoom small image

COMANT COMDAT
ANTENNA (CI 420-420)





名称:COMANT COMDAT ANTENNA (CI 420-4
可在线通过咨询了解详情
 
通过以下按钮进入下一步
  • 详情
  • 评价

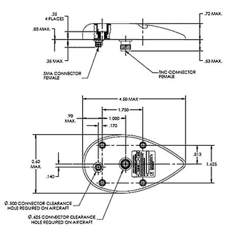
Frequencies • GPS 1575.42 MHz / 26.5 dB Gain XM 2332.5-2345.0 /30-34 dB Gain

(CI-420-420) ComDat® multifunction GPS and XM Weather antenna. Designed for compatibility with panel mount 26.5 dB gain GPS receivers. Add XM to an existing GPS antenna location without the need for a completely new installation location. Conforms to the popular teardrop footprint standard on many general aviation aircraft and business jets. Certified FAA TSO-C144 for GPS and GPS WAAS Class Gamma 1 equipment. Not compliant for GPS WAAS Class Gamma 2 and 3 applications. Not compatible with most portable GPS receiver systems.

Note: Comant Antennas no longer come with a gasket or template. Must order PN 09-00532 separately.